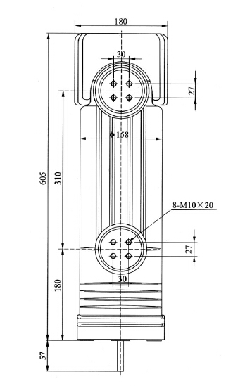
Model:EEP-12/4000-50
Category:Embedded poles
 
         

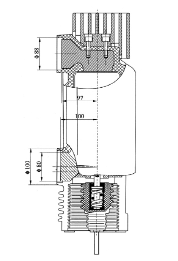
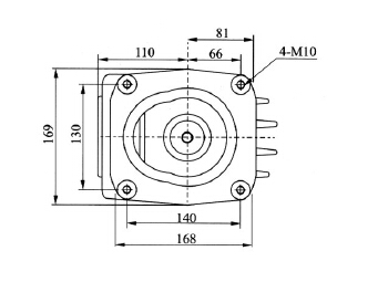
Specifications of Embedded Pole
| Main Technical Specification | Unit | Specification | |||
| 4000 | 3150 | ||||
| Rated voltage | kV | 12 | |||
| Rated current | A | 4000 | 3150 | ||
| Rated frequency | HZ | 50/60 | |||
| Short time power frequency withstand voltage(1min) | kV | 48 | |||
| Lightning impulse withstand voltage | kV | 95 | |||
| Rated short circuit breaking current | kA | 50 | 40 | 40 | 31.5 | 
| Rated peak withstand current | kA | 125 | 100 | 100 | 80 | 
| Rated short circuit making current | kA | 125 | 100 | 100 | 80 | 
| Rated short time withstand current | kA | 50 | 40 | 40 | 31.5 | 
| Rated duration of short circuit | S | 4 | |||
| Rated breaking current of single capacitor bank | A | 400 | |||
| Rated breaking current of back to back capacitor bank | A | 400 | |||
| Rated operating sequence | O-0.3s-CO180s-CO | ||||
| Breaking operations of rated short circuit breaking current | Times | 30 | |||
| Rated mechanical endurance | Times | 20000 | |||
| Closing force due to bellow and atmosphere | N | 140±50 | |||
| Force required to hold contacts open at full stroke | N | 220±50 | |||
| Circuit resistance at lower limit of rated contact force | mΩ | ≤25 | |||
| Contacts limit erosion | mm | 3 | |||
| Gas pressure inside vacuum interrupter | Pa | ≤1x10?3 | |||
| Localize discharge | Pc | ≤5 | |||
Mechanical Data Required for the Matched Vacuum Switchgear
| Main Technical Specification | Unit | Specification | |||
| 4000 | 3150 | ||||
| Clearance between open contacts | mm | 11±1 | |||
| Average opening speed | m/s | 1.2±0.2 | |||
| Average closing speed | m/s | 0.6±0.2 | |||
| Rated of contact force | N | 6000±500 | 4250±250 | 4250±250 | 3150±200 | 
| Contact bouncing duration at closing operation | ms | ≤2 | |||
| Out of simultaneity of contact closing and opening | ms | ≤2 | |||
| Maximum rebound during opening | mm | ≤2 | |||
Prev archive:Embedded Poles
Next archive:Embedded Poles